產品特點:
1.輸出電流穩定,線性度好
2.RS232串口通訊功能
3.低曝光無頻閃
4.外部觸發支持
時序圖
常亮模式(H 1模式):
當外部連接觸發信號時,觸發“+”輸入高電平5-24V “-”接地時,光源滅。
常滅模式(H 0模式):
當外部連接觸發信號時,觸發“+”輸入高電平5-24V “-”接地時,光源亮。

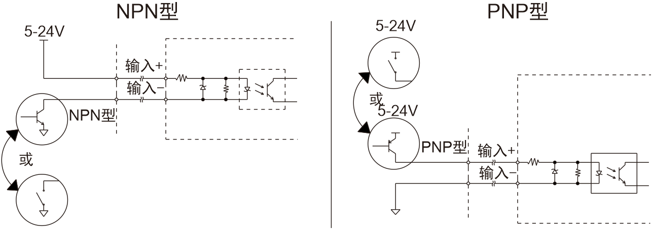
常用外部觸發信號接線方法

控制器型號
| 類型 | 型號 | 單路輸出可調電流 | 總輸出功率 | 單路輸出最大功率 | 通道數 | 外部觸發電壓 |
| 恒流控制器 | LTS-3ACC350-2C | 0-350mA | 2W | 1W | 2 | 5-24V |
| LTS-3ACC350-4C | 0-350mA | 4W | 1W | 4 | ||
| LTS-3ACC700-2C | 0-700mA | 4W | 2W | 2 | ||
| LTS-3ACC700-4C | 0-700mA | 8W | 2W | 4 | ||
| LTS-3ACC1000-2C | 0-1000mA | 6W | 3W | 2 | ||
| LTS-3ACC1000-4C | 0-1000mA | 12W | 3W | 4 | ||
| LTS-3ACC1500-2C | 0-1500mA | 10W | 5W | 2 | ||
| LTS-3ACC1500-4C | 0-1500mA | 20W | 5W | 4 | ||
| LTS-3ACC2500-2C | 0-2500mA | 20W | 10W | 2 | ||
| 結構光恒流控制器 | LTS-3ACC12400-2 | 0-400mA | 10W | 5W | 2 | |
| LTS-3ACC12700-1 | 0-700mA | 8.5W | 8.5W | 1 |
