產品特點:
1.RS232串口/LAN網口通訊功能
2.觸發頻率高,響應時間短10us
3.具有2-12通道規格可供選擇
4.具有斷電保存功能
5.配一組12V 500mA輸出,可供相機使用
工作系統示例
時序圖
常亮模式(H 1模式):
當外部連接觸發信號時,觸發“+”輸入高電平5-24V “-”接地時,光源滅。
常滅模式(H 0模式):
當外部連接觸發信號時,觸發“+”輸入高電平5-24V “-”接地時,光源亮。
常滅模式(H0模式)觸發時序圖
說明:T1觸發光源打開延時時間,T2光源被觸發后點亮時間,T3觸發光源關閉延時時間,T1≤10us,T3≤10us。
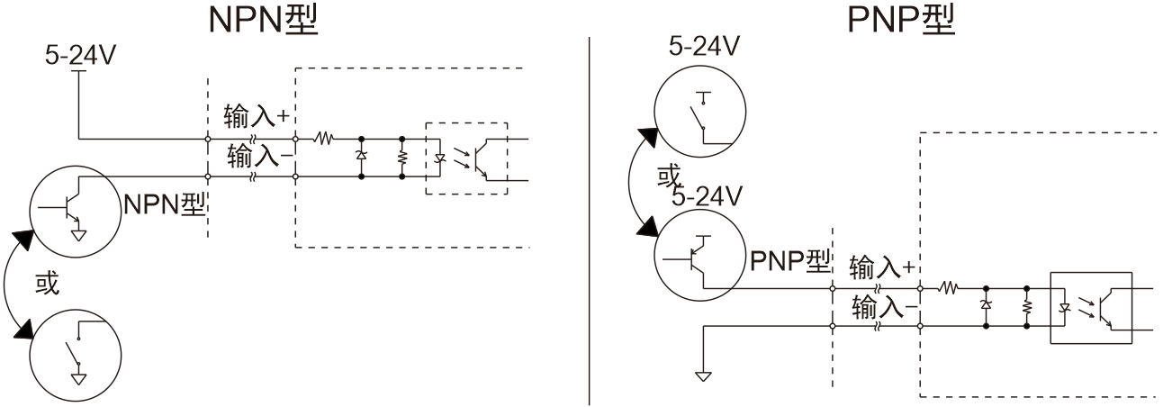
常用外部觸發信號接線方法

控制器型號
|
類型 |
型號 |
輸出電壓范圍 |
總輸出功率 |
單路輸出最大功率 |
通道數 |
外部觸發電壓 |
|
高性價比
數字控制器 |
LTS-3DPC2460-2C |
24V |
60W |
40W |
2 |
5-24V |
|
LTS-3DPC2460-4C |
24V |
60W |
40W |
4 |
||
|
LTS-3DPC24120-4C |
24V |
120W |
60W |
4 |
||
|
LTS-3DPC24120-8C |
24V |
120W |
60W |
8 |
||
|
LTS-3DPC24200-4C |
24V |
200W |
60W |
4 |
||
|
LTS-3DPC24200-8C |
24V |
200W |
60W |
8 |
||
|
數字控制器 帶RS232/LAN |
LTS-3DPC2460-2S |
24V |
60W |
40W |
2 |
5-24V |
|
LTS-3DPC2460-4S |
24V |
60W |
40W |
4 |
||
|
LTS-3DPC24120-4S |
24V |
120W |
60W |
4 |
||
|
LTS-3DPC24120-8S |
24V |
120W |
60W |
8 |
||
|
LTS-3DPC24200-4S |
24V |
200W |
60W |
4 |
||
|
LTS-3DPC24200-8S |
24V |
200W |
60W |
8 |
||
|
LTS-3DPC24200-12S |
24V |
200W |
60W |
12 |
||
