

| 型號 |
LTS-2SLG350-W |
||
|
色溫 |
7000K |
||
|
顯指Ra |
70 |
||
|
發光角度 |
50° |
||
|
照度值 |
約3000萬Lux |
||
|
發光顏色 |
白色 |
||
|
平均壽命 |
15000h(最大光量70%的穩定化時間) |
||
|
驅動方式 |
恒流驅動 |
||
|
電源輸入電壓 |
110-240VAC |
||
|
輸出通道數 |
1路 |
||
|
波特率 |
19200bps |
||
|
電源輸入頻率范圍 |
50/60Hz |
||
|
亮度調節方法 |
手動編碼器旋鈕調節、PC端遠程調節 |
||
|
亮度調節方式 |
恒流 |
||
|
亮度調節等級 |
256/1024級 |
||
|
保存功能 |
斷電自動保存設置的亮度參數 |
||
|
外部觸發電壓 |
脈寬觸發,高電平5-24V有效 |
||
| 外部觸發頻率 |
由外部觸發信號方式決定,若外部觸發信號占空比為50%,外部有效觸發頻率最高為8KHz |
||
| 外部觸發響應時間 |
30us |
||
| 開機響應時間 |
≦6S |
||
| 產品保護功能 |
過流保護,斷電保存,溫度保護 |
||
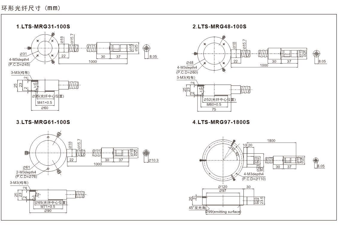
| 適用光束直徑 |
耐高溫光纖纖芯直徑?6-14mm |
||
| 通訊方式 |
RS232/LAN |
||
| 使用環境 |
濕度20%-85%RH(無結霜狀態) 溫度0℃-40℃ |
||
| 存儲環境 |
濕度20%-85%RH(無結霜狀態) 溫度0℃-50℃ |
||
| 常亮/常滅模式切換 |
此型號有常亮/常滅兩個模式,通過MANU內部的初始狀態功能切換 |
||
| 型號 | 輸出總功率 | 顏色 | 通道數 | 外部觸發電壓 |
|
LTS-2SLG350-W |
350W |
![]() |
1 |
常亮/閃頻使用 外部觸發電壓5-24V |