產品特點:
1.高性價比配套照明最佳方案
2.常亮與頻閃功能模式可選
3.頻閃點亮時間0-255ms可設
4.10us快速響應,256級亮度可調
工作系統示例
時序圖
常亮模式(H 1模式):
當外部連接觸發信號時,觸發“+”輸入高電平5-24V “-”接地時,光源滅。
常滅模式(H 0模式):
當外部連接觸發信號時,觸發“+”輸入高電平5-24V “-”接地時,光源亮。
常滅模式(H0模式)觸發時序圖
說明:T1觸發光源打開延時時間,T2光源被觸發后點亮時間,T3觸發光源關閉延時時間,T1≤10us,T3≤10us。
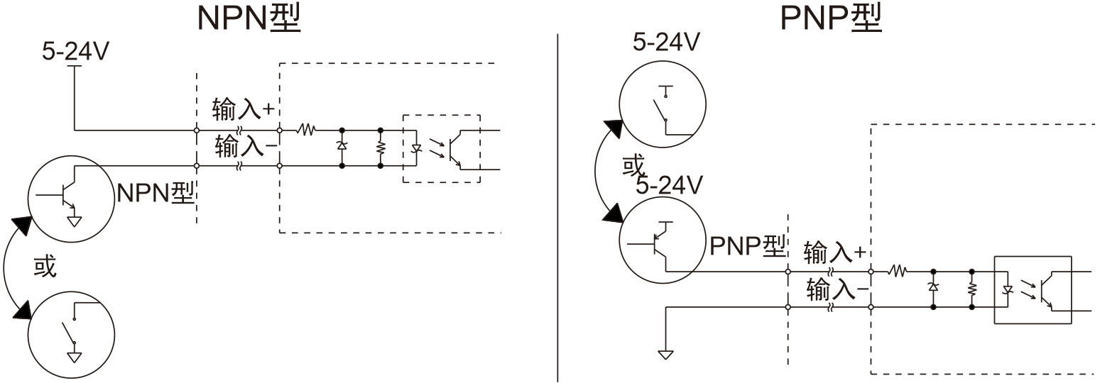
常用外部觸發信號接線方法

控制器型號
|
類型 |
型號 |
輸出電壓 |
總輸出功率 |
單路輸出最大功率 |
通道數 |
外部觸發電壓 |
|
數字控制盒 |
LTS-3DPC2480-4F |
24V |
80W |
80W |
4 |
5-24V |


